Stikalo zate.menjalno LED 60W belo
TEM Čatež
- Cena brez DDV:
44,75 €
- Cena z DDV:
54,59 €
- Šifra artikla:
8717916
- Enota:
KOS
- Blagovna znamka:
Zaloga: na zalogi
KOS
Opis izdelka
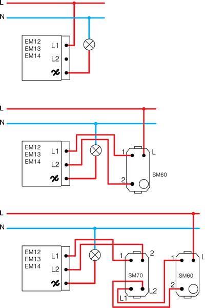
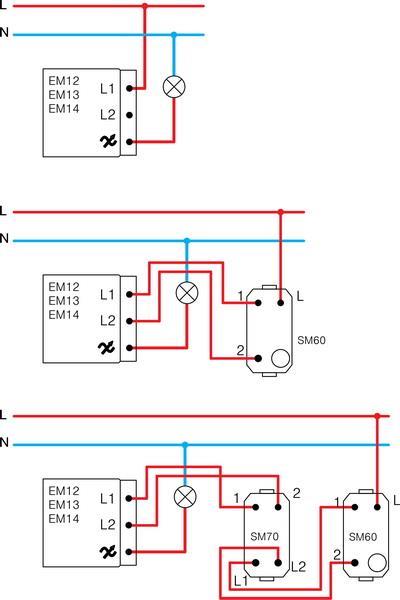
- rotacijski z menjalnim stikalom
- bremena: LED, 0 – 60 W (max. 6 LED zatemnilnih sijalk)
GLS, 0 – 60 W
- napajanje 230V~ 50Hz
- možna vezava z menjalnim stikalom
- montaža več naprav skupaj v eno dozo dovoljena samo
pod pogojem, da njihovo skupno maksimalno breme ne
presega maksimalne moči enega zatemnilnika
- v istem tokokrogu je dovoljena uporaba samo enega
zatemnilnega stikala
- varovalka ni vgrajena – potrebna vezava zunanje varovalke
- ustreza IEC60669-2-1
- vijačni kontakti - 1.5÷2.5mm2
- bremena: LED, 0 – 60 W (max. 6 LED zatemnilnih sijalk)
GLS, 0 – 60 W
- napajanje 230V~ 50Hz
- možna vezava z menjalnim stikalom
- montaža več naprav skupaj v eno dozo dovoljena samo
pod pogojem, da njihovo skupno maksimalno breme ne
presega maksimalne moči enega zatemnilnika
- v istem tokokrogu je dovoljena uporaba samo enega
zatemnilnega stikala
- varovalka ni vgrajena – potrebna vezava zunanje varovalke
- ustreza IEC60669-2-1
- vijačni kontakti - 1.5÷2.5mm2