Stikalo zate.menjalno LED 180W belo
TEM Čatež
- Cena brez DDV:
75,39 €
- Cena z DDV:
91,98 €
- Šifra artikla:
8907561
- Enota:
KOS
- Blagovna znamka:
Zaloga: na zalogi
KOS
Opis izdelka
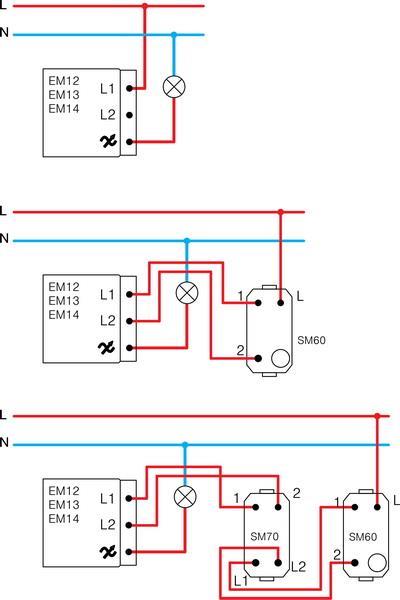
- rotacijski z menjalnim stikalom
- bremena:
LED, 0 – 180 W (max. 20 LED zatemnilnih sijalk)
GLS, 0 – 180 W
- napajanje 230V~ 50Hz
- možna vezava z menjalnim stikalom
- montaža več naprav skupaj v eno dozo dovoljena samo
pod pogojem, da njihovo skupno maksimalno breme ne
presega maksimalne moči enega zatemnilnika
- v istem tokokrogu je dovoljena uporaba samo enega
zatemnilnega stikala
- varovalka ni vgrajena – potrebna vezava zunanje varovalke
- ustreza IEC60669-2-1
- vijačni kontakti - 1.5÷2.5mm2
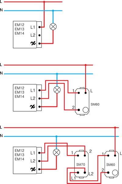
- bremena:
LED, 0 – 180 W (max. 20 LED zatemnilnih sijalk)
GLS, 0 – 180 W
- napajanje 230V~ 50Hz
- možna vezava z menjalnim stikalom
- montaža več naprav skupaj v eno dozo dovoljena samo
pod pogojem, da njihovo skupno maksimalno breme ne
presega maksimalne moči enega zatemnilnika
- v istem tokokrogu je dovoljena uporaba samo enega
zatemnilnega stikala
- varovalka ni vgrajena – potrebna vezava zunanje varovalke
- ustreza IEC60669-2-1
- vijačni kontakti - 1.5÷2.5mm2